2X-100型雙級旋片式真空泵的安裝尺寸圖
時間:2014/6/27 來源:浙江揚子江泵業有限公司
一、2X-100型雙級旋片式真空泵的拆箱安裝:
2X-100型雙級旋片式真空泵拆箱后小心取出真空泵體、備附件及說明書并保管好作日后備用。除去填充物,擦凈泵的表面灰塵、垢。按裝箱單清點數目。
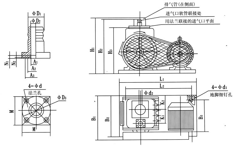
2X-100型雙級旋片式真空泵安裝在環境清潔、通氣良好,光線充足符合第4條要求的室內。根據使用情況泵應安裝在有一定寬裕的場地,以便于操作維護。2X-100型雙級旋片式真空泵的外形尺寸見。真空泵可以放置在堅實平坦的地面上,不需特別的地基,如需固定可另加螺釘與基礎固牢,地腳螺釘尺寸見。如靠近精密儀表使用時,應考慮增加防震裝置。
2X-100型雙級旋片式真空泵將被抽容器用真空軟管或法蘭與泵體相聯結,如用法蘭聯接時,法蘭上應有橡膠圈槽,形式及尺寸見圖50聯接被抽容器的管徑不應小于2X-100型雙級旋片式真空泵進氣口直徑,管通宜短,接頭宜少,否則影響抽速,管道和接頭的漏氣量應小。被抽容器的氣體量應與泵的抽速相適應,泵的抽速關系見圖4。在泵與被抽容器之間建議裝上一個真空閥,以便控制氣體流量。對于泵并建議裝上一個放氣閥(或電磁閥)以便停車時對泵放氣,能防止返油以及容易起動。
2X-100型雙級旋片式真空泵按照電機標牌所示電壓和接線方式接上電源,并建議采用保險裝置以免超載,判明電機旋轉方向,應與泵上箭頭方向一致。取下排氣塞裝上排氣罩,或將排所嘴上的套子取下。需冷卻者接上水源。
如必須使泵抽除有毒的及腐蝕黑色金屬的氣體、對真空油起化學變化的氣體、及超過常溫和有塵埃的氣體時,應在進氣管道上加裝中和、冷卻、過濾等有關裝置配合使用,否則將影響真空泵使用性能和壽命。抽除對人體有害的氣體時,應安上相應的管道,將排出氣體引至室外遠離工區進行處理。
2X-100型雙級旋片式真空泵注:安裝時應小心,防止鐵屑、污物、塵埃等落入泵內。
二、2X-100型雙級旋片式真空泵的安裝尺寸表:

|
代號型號
|
φD1
|
φD2
|
φD3
|
Al
|
A2
|
A3
|
N1
|
N2
|
M
|
φd
|
H1
|
H2
|
H3
|
L1
|
L2
|
L3
|
B1
|
B2
|
B3
|
K1
|
K2
|
φdl
|
φd2
|
|
2X-100
|
|
80
|
125
|
96
|
105
|
113
|
6
|
3
|
130
|
9
|
692
|
680
|
556
|
908
|
848
|
210
|
650
|
530
|
470
|
176
|
144
|
20
|
G3
|
三、2X-100型雙級旋片式真空泵的使用說明:
1、2X-100型雙級旋片式真空泵運轉注意事項:
(1)斷續起動1—2次,觀察在運轉中有無異常聲響及特殊的震動,無問題方可邊續運轉。
(2)注意2X-100型雙級旋片式真空泵油面應在視鏡的兩條油標線之間,油量多了會引起起動困難、返油、噴油等不良現象,少了則影響真空度。油量不足時應通過加油孔加油。注意久停的泵油面要下降,將泵連續運轉幾轉后,油面才會上升。
(3)打開2X-100型雙級旋片式真空泵冷卻水
(4)打開泵進氣嘴上的閥門,打開的大小視具體情況而定。
2、2X-100型雙級旋片式真空泵對初次安裝好的泵,應先做一次試車運轉,此時泵應無安裝不當的振動及無特殊沖擊聲響,電機不應超負荷,油溫和極限真空度應符合技術規格。
3、停2X-100型雙級旋片式真空泵時應先關斷進氣嘴上的閥門,裝有放氣閥者對泵放氣,再截斷電源,再停水源。
4、2X-100型雙級旋片式真空泵使用中注意事項:
(1)經常注意2X-100型雙級旋片式真空泵油位。
(2)泵起動后再緩慢打開閥門。
(3)經常注意2X-100型雙級旋片式真空泵運轉是否正常,有無特殊聲響,電機是否超負荷運轉。
(4)注意2X-100型雙級旋片式真空泵冷卻水是否中斷。
(5)注意泵溫升不超過40℃
(6)如停車后泵溫要下降到5℃以下時,泵內冷水必須除凈。
四、2X-100型雙級旋片式真空泵的維護保養:
1、2X-100型雙級旋片式真空泵在工作中除了注意第15條事項外,尚須注意下列事項:
(1)2X-100型雙級旋片式真空泵須經常保持清潔,泵上不得放置其他物件。
(2)注意皮帶松緊是否適當,第半年年調整一次。
(3)管道接頭是否漏氣,及時杜絕。
2、2X-100型雙級旋片式真空泵連續工作三月至半年之后,就應換油一次,在濕度較大的地區,在潮濕季節工作的泵,或被抽氣體污染很大的,應根據具體情況酌情縮短換油時間。
換油事項如下:
(1)將2X-100型雙級旋片式真空泵拆除真空系統,把底盤電機一端墊高些,打開放油塞放油,轉動真空泵、捂住排氣口,使腔內污油全部從放油口放出,再從進氣口處加入新油100—500ml持續轉動5—10轉以上對,內部進行清洗,照此操作3—5次,特污油放清后,再裝上放油塞,將泵放平,從進氣口及加油孔分別加入新油,換油即告完畢。
(2)換油時不宜長久開動電機,以免使排氣閥片跳動過于劇烈和疲勞。
(3)嚴禁用煤油、汽油、酒精等對泵作非拆卸的清洗。
注:換油好的油溫升高后進行。
3、如停2X-100型雙級旋片式真空泵時間較長,應取下排氣罩放上排氣塞,封閉進氣口,放凈積水。
五、2X-100型雙級旋片式真空泵的使故障原因及消除方法:
一般故障的排除:
1、真空度不高:
(1)2X-100型雙級旋片式真空泵溫太高:
(2)如被抽氣體溫度高,則應先將氣體冷卻后再進入泵內。B、如吸入硬物缸內磨損,應修復更換。
(3)如2X-100型雙級旋片式真空泵的冷卻水不夠,應打開或加大冷卻水。D、如裝配不當,造成單面磨損,應檢查再裝。
(4)油位過低未到視鏡油線位置,應加夠油量。
(5)摻氣閥未關嚴漏氣,應關嚴。
(6)油質變壞,更換新油。
(7)2X-100型雙級旋片式真空泵漏大氣多是由于泵的端面油封不良所致,這時應打開排氣蓋,檢查B處油池是否缺油,如無油應從加油孔處加油,使油池B處積滿油.
(8)轉片彈簧折斷,應拆下更換。
(9)閥門片損壞,應更換。
(10)前端板上油密封里的密封圈損壞或橡膠變質,應更換。
(11)2X-100型雙級旋片式真空泵使用時間長,磨損大、間隙增大,應修復或更換受損零件。
(12)進氣處過濾網堵塞,取下清洗。
2、2X-100型雙級旋片式真空泵電機超負荷運轉:
(1)泵溫太高,照20條(1)款(1)項處理。
(2)吸入鐵屑或其它機械物質造成單面磨損,應予修復或更換磨損零件。
(3)裝配不當,造成單面磨損或咬毛,應修理重新裝配。
3、2X-100型雙級旋片式真空泵其它:
(1)軸端漏油,密封圈磨損或裝配不正確,應更換或重裝。
(2)開車噴油,油位太高,應放出多余的油,或各擋油裝置已壞,應重新調整或修理。
(3)端面漏油,因前后端面碰傷不平,端板未擰緊,應將端面修平擰緊。
六、2X-100型雙級旋片式真空泵的維修:
1、將2X-100型雙級旋片式真空泵拆離真空系統,放油先拆低真空端(見圖3),取下后端板后,再取低真空轉子及鍵,然后將前端板拆下,取出真空轉子及轉片、彈簧等,取下視鏡、排氣閥門、排氣蓋,用汽油或者用酒精徹底清洗全部零件。拆時應注意每個零件的部位,方向及組合松緊,拆下的零件應分開放置, 不允許混在一起,互相磨傷。檢查全部零部件,看有無磨損或拉毛,打爛等不良現象,按情況進行修理或更換。特別注意前后端板發現有較大程度的擦傷,說明裝配時轉子與中隔板不垂直,應予調整定位銷釘,如太嚴重時應予修理或更換。檢查間隙:分別將高轉子放入高真空室,低轉子放入低真空室,用刀口尺及厚薄規檢查間隙,兩端的間隙應基本相等。
2、2X-100型雙級旋片式真空泵裝配前應清洗干凈并烘干,按圖4進行裝配,先裝高真空端,將彈簧轉片托起裝入高轉子內,然后放進高真空室,裝上前端板,再裝定位銷釘,均勻擰緊螺釘,裝配后應保證轉動靈活輕松 ,均勻一致。然后再裝低真空轉子及后端蓋,低轉片的槽應向后端板一邊。再裝排氣門,排氣閥片應貼緊閥板坐,再裝其它零件。
3、2X-100型雙級旋片式真空泵裝配時應注意,凡轉動部位應先打上真空油,注意清潔,嚴禁鐵屑泥砂塵埃等落入泵內,定位銷釘要接觸良好,裝好的泵應轉動輕松,無轉重不均,并沒有阻滯現象。總裝完后,分別從進氣嘴及加油孔加油,裝油在視鏡橫線處為止,再試車。
感謝您訪問我們揚子江泵業的網站www.ahyyxx.cn,如有任何水泵疑問我們一定會盡心盡力為您提供優質的服務。











